Notices
Audio & Video 350Z Mobile entertainment and other electronics

Wiring Question for Stereo Head Unit

Thread Tools
 
Search this Thread
 
Old May 28, 2025 | 09:31 PM
  #1  
JSMCO's Avatar
JSMCO
Thread Starter
New Member
 
Joined: Apr 2024
Posts: 87
Likes: 7
From: CO
Default Wiring Question for Stereo Head Unit

2005 350Z Coupe. Originally came with Bose System. Previous owner installed Kenwood Deck, which would not turn off, and was causing battery to discharge.

I pulled the head unit and tested the receptacles on the wiring harness that the head unit is connected to.

The red wire on the deck is supposed to be connected to a circuit (is that the right word?) that is only hot when the ignition is on.

Per the below diagram, it was connected to #10 on the M40 harness as shown below, which is correct, as it should only be hot when the ignition is on.

However, I tested that receptacle and it's pulling about 9V even when the ignition is off. (It pulls about 12.7V when the ignition is on)

What would be causing that wire to be hot all the time, and how might I fix it?

Alternatively, is a better (and maybe easier solution) to tap into a different wire on that harness, or just run a fuse tap from the fuse box?

If I were to test that #6 fuse in the box and it's always hot there, too, then which other fuse in the box down by the pedals would be a good choice to use that won't cause noise or other potential problems?

Thanks in advance for any insight.



Reply
Old May 29, 2025 | 05:21 AM
  #2  
Heel Til I Die's Avatar
Heel Til I Die
New Member
10 Year Member
Liked
Loved
Community Favorite
iTrader: (2)
 
Joined: Apr 2013
Posts: 3,840
Likes: 1,304
From: Raleigh, NC
Default

That's strange. Since the previous owner did the wiring, there's no telling what happened, or where wires were possibly spliced.

Aside from the audio wiring for each channel, dimmer, remote, and ant signal, the main three wires you really need to be concerned about on aftermarket head units are red, yellow, and black. Industry standard is usually black is ground, red is for a "switched" 12v+ signal (energized when the car is in ACC/ON) which triggers the head unit to turn on, and yellow is for a constant 12v+ source (for the head unit to "remember" all the presets).

I would confirm again that the red wire from the head unit is connected to the correct switched wire (which looks to be light green [L/G] based on the FSM diagram, but it could be confused with the constant yellow [Y]). It sounds like you have a multimeter, so the wire colors could be different. You might want to try hunting around to see if the switched wire is a different color.

There might be something funky going on at the fuse block which is causing the constant 9-12.7v signal. If you can't figure out the reason for the power draw, it might be easiest to just run a fuse tap. Piggybacking off a 10A should be fine as it's just a trigger for the head unit to turn on. It's been a while, but I seem to recall there may be a few spare and open switched places. If anything, I bet you could tap off the mirror without any major issues.
Reply
Old May 29, 2025 | 09:44 AM
  #3  
JSMCO's Avatar
JSMCO
Thread Starter
New Member
 
Joined: Apr 2024
Posts: 87
Likes: 7
From: CO
Default

Thanks very much for the reply. Yep, the red wire is connected to the light green wire. I'll check at the actual #6 fuse location, but I'd suspect it will be always hot there as well. I'll also check if there are any spare fuse receptacles that are switched, that would be great. I saw somewhere that it could also be a problem with the ignition switch, but nothing else seems to stay on except the radio. What other things would be running off of that same fuse #6 besides the radio?
Reply
Old May 29, 2025 | 12:00 PM
  #4  
icer5160's Avatar
icer5160
New Member
15 Year Member
Liked
Loved
Community Favorite
iTrader: (4)
 
Joined: May 2010
Posts: 2,067
Likes: 616
From: Brentwood, CA
Default

Something to zero-in on here is that this was a Bose equipped car. The wiring/harness adapters are very different for Bose systems. I'm well versed with the wiring on a Non-Bose Z, but haven't really dug into Bose equipped Zs. I'm guessing you have a short somewhere if you're still getting 9V at a supposed switched 12V supply and the key is OFF. Something there is wrong and I would definitely work on getting that sorted out. I don't have a 2005 specific FSM, but I don't think the Bose system wiring changed much over the years. Here's all the diagrams and schematics. Lots to soak in.

Hope this information helps you and others.
-Icer

PWR Circuit Flow Chart
PWR Circuit Flow Chart
Full Schematic
Full Schematic
Main PWR/GND Diagram
Main PWR/GND Diagram
Steering Wheel Control Diagram
Steering Wheel Control Diagram
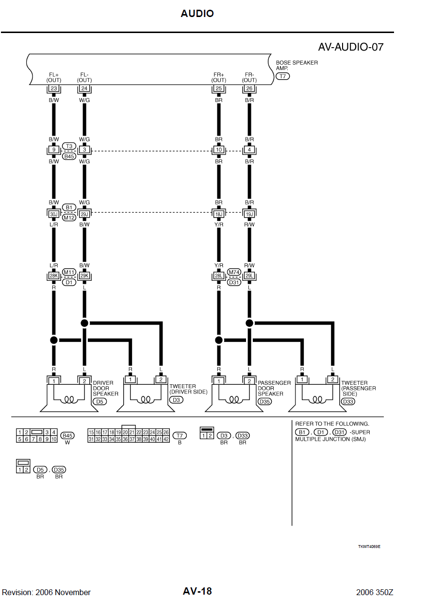
Head Unit to Amplifier & Navi Diagram
Head Unit to Amplifier & Navi Diagram
Amplifier to Front Door Speaker Diagram
Amplifier to Front Door Speaker Diagram
Head Unit to Amplifier Diagram (Detailed with Harness Plugs)
Head Unit to Amplifier Diagram (Detailed with Harness Plugs)
Amplifier to Rear Speaker Diagram
Amplifier to Rear Speaker Diagram
Amplifier to Subwoofer Diagram
Amplifier to Subwoofer Diagram
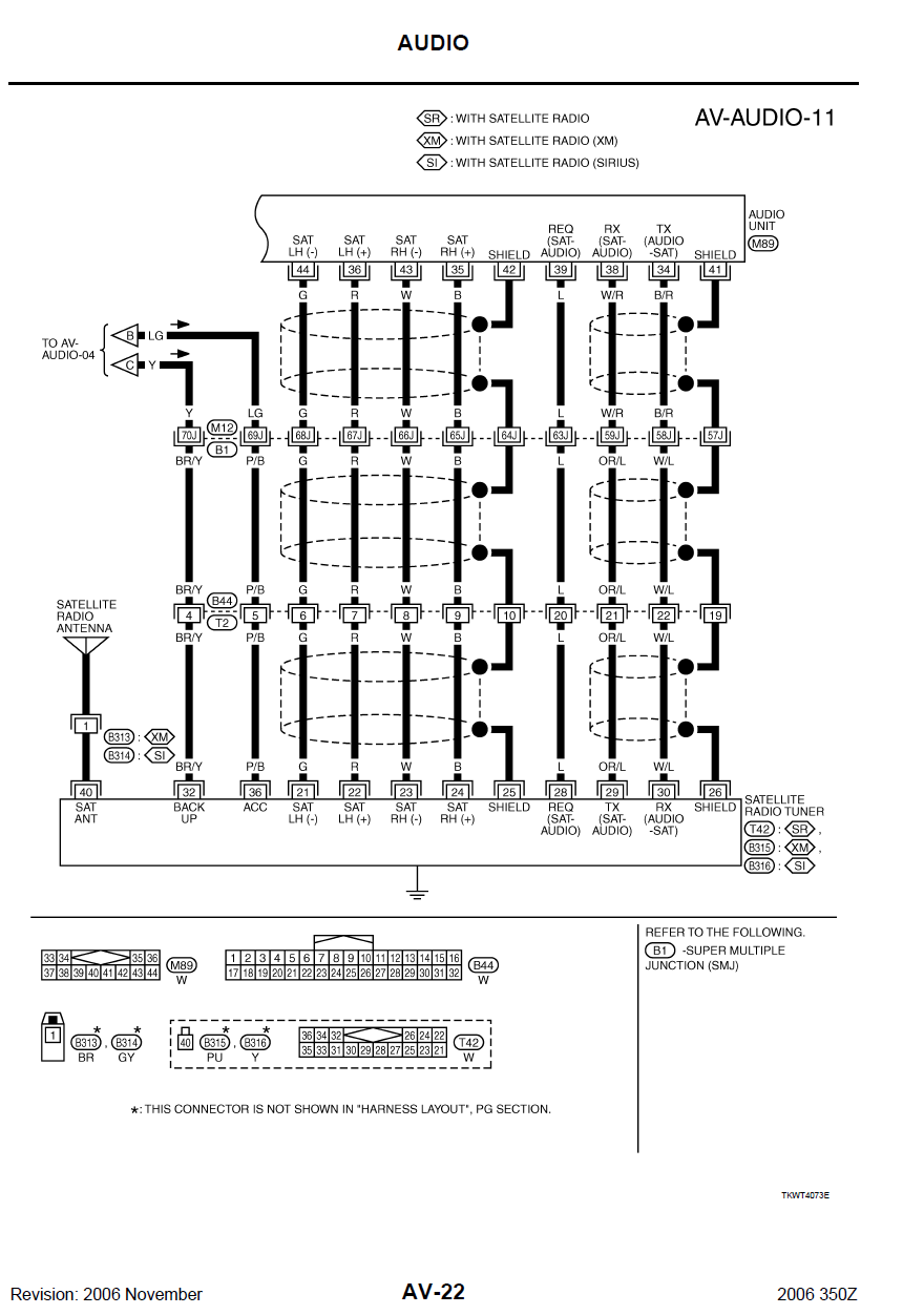
Head Unit to Sat Radio tuner/receiver diagram.
Head Unit to Sat Radio tuner/receiver diagram.
Reply
Old May 29, 2025 | 12:09 PM
  #5  
icer5160's Avatar
icer5160
New Member
15 Year Member
Liked
Loved
Community Favorite
iTrader: (4)
 
Joined: May 2010
Posts: 2,067
Likes: 616
From: Brentwood, CA
Default

Without diving deep into this myself, I suspect the Bose Speaker Amplifier might still be connected?

Can you confirm all the Bose components like the Woofer and Speaker amplifier have been removed? Or are they still intact and ONLY the headunit was replaced?
Thanks!
-Icer
Reply
Old May 29, 2025 | 01:05 PM
  #6  
JSMCO's Avatar
JSMCO
Thread Starter
New Member
 
Joined: Apr 2024
Posts: 87
Likes: 7
From: CO
Default

Thanks for the response. You are always so kind & helpful. The Bose subwoofer and the amp for the sub are gone. I have not pulled apart the rear panel in the trunk to see if the Bose amp is still there. Here are pictures of the receptacles in the dash. Both the front and rear speakers work, and the fader works. I have new front coax speakers and a powered 8" sub coming. The new fronts will be run by a Rockford Fosgate 2 channel amp and the sub is powered, so I'll be utilizing RCA's. I am going to try to run good speaker wires into the front doors, but I know the process is a bear. The rear speakers will not be connected. I might leave the connections in for the stock fronts and leave them connected to deck power so the stock tweeters in the sail panels will still work. I put some notes below the pictures. Maybe the current setup has one set of the speakers running to the Bose amp and one set running off of deck power? I struggle to decipher the wiring diagrams.
The rear speaker wires and the blue/white remote wire go into the one on the bottom.
The rear speaker wires and the blue/white remote wire go into the one on the bottom.
Here's one where the color of the wires is more visible.  The one on the bottom is the one from the bottom in the picture with my hand.
Here's one where the color of the wires is more visible. The one on the bottom is the one from the bottom in the picture with my hand.
4 total receptacles.  One only has one red & yellow wire, which needs some TLC from a non-friendly mouse.  I don't think that one or the smaller one on the top right were connected to anything.  The big one in the middle the head unit switched power, battery constant, and the front speaker wires go into.  The one on the bottom right is again where the rear speaker wires and the blue/white remote wire go into.  I don't know if any of these connectors lead to the Bose amp in the rear.
4 total receptacles. One only has one red & yellow wire, which needs some TLC from a non-friendly mouse. I don't think that one or the smaller one on the top right were connected to anything. The big one in the middle the head unit switched power, battery constant, and the front speaker wires go into. The one on the bottom right is again where the rear speaker wires and the blue/white remote wire go into. I don't know if any of these connectors lead to the Bose amp in the rear.
Reply
Old May 29, 2025 | 08:43 PM
  #7  
icer5160's Avatar
icer5160
New Member
15 Year Member
Liked
Loved
Community Favorite
iTrader: (4)
 
Joined: May 2010
Posts: 2,067
Likes: 616
From: Brentwood, CA
Default

I spent some more time deciphering the diagrams. Here's what I can gather/understand.

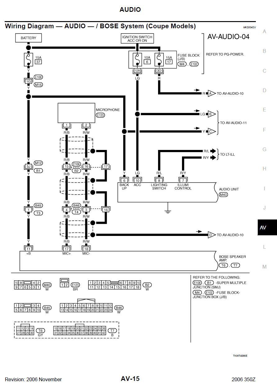
RED Wire - Fuse#17/15A (Fuse Block J/B)
- Constant Power - Feeds Subwoofer Amplifier
Note: Changes to Green, pin 8 at Woofer Amp

Light Green Wire - Fuse#6/10A (Fuse Block J/B)
- ACC/Switched Power - Feeds Head Unit & Sat Radio Tuner
Note: Changes to Purple/Brown, pin 36 at Sat Radio Tuner

Yellow Wire - Fuse#37/15A
- Constant/Backup Power - Feeds Head Unit, Speaker Amplifier, and Sat Radio Tuner
Note: Changes to Brown/Yellow, pin 32 at Sat Radio Tuner

Since you're essentially abandoning the entire Bose System. I recommend pulling fuse #17 (15A), as I don't think you're using this for anything. I would also double check the wiring at the original Bose speaker & subwoofer amplifiers to make sure nothing has been cut and left hot or shorting to ground. To fully neutralize the Bose system, I would completely disconnect all harness connections from the old Bose Amps and the Sat Radio Tuner if it's found to be present.

Something is going on with the Light Green Wire coming from Fuse #6 (10A). That wire should not be hot when the ignition is off. This wire is also connected/spliced to the Sat Radio Tuner...which also has the backup pwr (for preset memory) going to it. It's possible you have this module still connected in the vehicle and it's shorted or feeding pwr back. I would investigate and remove the old Sat Radio Tuner completely.

Yes, you will need to run RCAs + new speaker wire since you're planning to use an external Amp for the new Subwoofer. Personally, I would go for some component speakers for the doors and coaxials for the rears. There's plenty of space to route the RCAs under the center console or even the sides of the floor-pan against the rocker frame. If you plan to use the Kenwood's internal amp for the door speakers, you can safely re-use the factory speaker wiring, but you will need to run extensions since the factory wires terminate at the Bose speaker amplifier (which I think is in the trunk somewhere), and not in the dash behind the head unit. If you plan to run an external amp (~100W RMS per channel for example) for the door speakers, then I wouldn't use the factory wiring.

Good Luck!
-Icer

Last edited by icer5160; May 29, 2025 at 08:46 PM.
Reply
Old May 29, 2025 | 09:05 PM
  #8  
icer5160's Avatar
icer5160
New Member
15 Year Member
Liked
Loved
Community Favorite
iTrader: (4)
 
Joined: May 2010
Posts: 2,067
Likes: 616
From: Brentwood, CA
Default

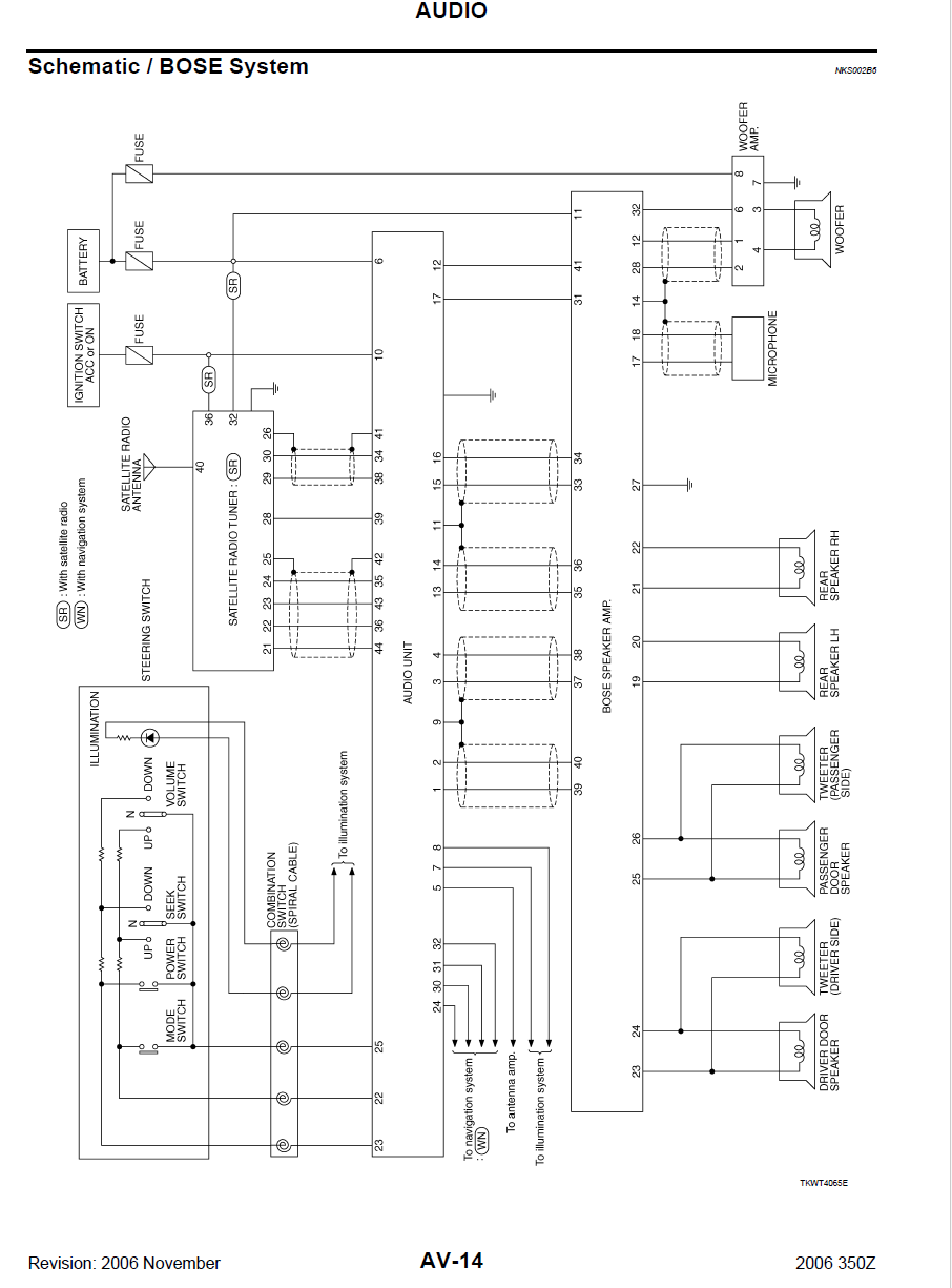
Component locations. Looks like the Speaker Amp and Sat Radio Tuner (if present/equipped) are part of the same unit or at the least in the same location/bundle in the trunk. The Bose Subwoofer amplifier is mounted with the woofer.

Have you done any wiring recently in the trunk? Like a backup camera or something like that?
Cheers!
-Icer



Reply
Old May 29, 2025 | 11:25 PM
  #9  
JSMCO's Avatar
JSMCO
Thread Starter
New Member
 
Joined: Apr 2024
Posts: 87
Likes: 7
From: CO
Default

Thanks for the diagrams. They are for a 2006, and I have not compared them line by line to the ones I have for my 2005, but they seem much the same. My schematic shows the satellite connector as an "option" and my component parts AV-9 does not show the satellite radio tuner, so it was seemingly not automatically included. If it was added as an option, I don't know if it was put in the same location as on a 2006. I will check in the back tomorrow and see what is there. If there is a satellite tuner, I'll disconnect it. From the diagrams, it does appear that the speaker's outputs are being routed back to the Bose amp as the speaker output wires do go into the corresponding terminals on connectors B45 & M41. I haven't done any recent wiring in the trunk, but I'm wondering if I may find that an unfriendly rodent might have done some wiring back there. When I pulled the head unit out there was a giant nest below the HVAC control box and some serious nastiness under the center console. I don't know where they are getting in but the next trip for the car will be for a thorough inspection of possible entry points.

As the Bose sub and sub amp are gone, I agree there seems no purpose for Fuse #17.

For now, I am going to go with Coaxes in the doors run off of an external amp using the front RCA outputs and new dedicated speaker wires from the amp to the doors. I'll leave the front stock speaker wires in place and connect the REAR "Deck Power" wires to the FRONT stock speaker wires so the tweeters in the sail panels should still function off of the Bose amp. I don't like the tweeters that are up higher at ear level to be too bright so the door tweeters on the coaxes will be the main highs and the sail panel ones will just fill in a little. If they are too hot, having them fed from the rear output on the head unit will let me quiet them down using the fader or other settings designed for the rear speakers. The actual rear speakers will be disconnected, as I think having those pointed right at the back of the head will muddy the soundstage too much. The sub will be a powered sub not requiring another external amp. I'm just trying to decide whether to put the sub under the passenger seat or behind the rear speaker bar but will experiment with space and sound quality to decide. I might also put in in the pocket where the original Bose sub was but I'm not leaning that way.

Tomorrow I will also check Fuse #6 in the box and see if it's always hot there as well, or if maybe something mouse related or otherwise happened between the fuse box and the connector behind the dash.


Last edited by JSMCO; May 29, 2025 at 11:29 PM.
Reply
Old May 31, 2025 | 07:42 PM
  #10  
JSMCO's Avatar
JSMCO
Thread Starter
New Member
 
Joined: Apr 2024
Posts: 87
Likes: 7
From: CO
Default

Still working on this.

Got the rear hatch pieces apart and the Bose Amp is there. Checked the wires and they are all in good shape. No satellite tuner is present.



On the passenger side of the rear hatch, there is this connecter with nothing connected. Anyone know what this is for?



Another few questions.

Here are pictures of the fuse panel by the pedals and the label.



The blank spots between "Engine Control" and "Mirror" and then between "Audio" and O2 Sensor". They have contacts in them and some of them do have power. Are those just extras designed to tap into or do they feed somewhere?

The fuse for the "Start Signal" is missing but the starter still works and the car starts. Is that normal or does that fuse do something else? (Edit: Interesting....This Link Fuse Check says it's for the power seat, but both seats work even though the fuse is gone)

Here is a picture of a wire right below the fuse panel that is unhooked. There is a wire cap on the end that comes out of the white connector. The wire looks like it's green with a brown or maybe orange stripe. Does anyone know what that wire is for?


I am confused on the diagram below about the numbers inside the little boxes representing the fuses. Are they just "Fuse Location" numbers for the box they're in or do they somehow correspond to a number on a connector further down the line?


I am so sorry for all the questions, and appreciate in advance any answers or insight received.

Last edited by JSMCO; Jun 1, 2025 at 06:17 PM.
Reply
Old Jun 2, 2025 | 05:53 PM
  #11  
JSMCO's Avatar
JSMCO
Thread Starter
New Member
 
Joined: Apr 2024
Posts: 87
Likes: 7
From: CO
Default

Ok, I have done some more testing and diagnoses, here is what I found that may help someone else. Your fuse box under the dash might be different, but here is what I found on mine:
  1. The two blank slots to the right of "ENG CONT, INJ" have no power when the key is off or in the ACC position. They may have power when the car is started and running, but I did not test them that way yet.
  2. The next two blank spots are both hot all the time.
  3. Both slots, "Mirror" and "Cigar Lighter" are hot all of the time, even though they are labeled "ACC" But neither of them is pulling current when the car is off. I suppose the "MIRROR" one might have been when the head unit was hooked up to it, but now I can't recall if I tested it for current when the head unit was still in there.
  4. On the bottom row, the blank slot between "O2SEN" and "Audio" is hot when the key is tuned to "ACC" That is where I'll be tapping the switched wire on my head unit when it goes back in.



Even with the head unit removed, I'm still getting a parasitic draw of about 240-250ma. I have done some testing on that as well, and could use some input. Should I add that info to this thread or start a new one? And if so, which forum area would be most appropriate for that, as I don't see one specifically for Electrical Issues?

Would still very much appreciate any insight into what the above mentioned disconnected green/orange (or brown) wire is for and any thoughts on the "START SIGNAL" Fuse. Maybe those question belong in another thread as well?

Thanks!

Last edited by JSMCO; Jun 2, 2025 at 05:55 PM.
Reply
Old Jun 3, 2025 | 05:36 AM
  #12  
Heel Til I Die's Avatar
Heel Til I Die
New Member
10 Year Member
Liked
Loved
Community Favorite
iTrader: (2)
 
Joined: Apr 2013
Posts: 3,840
Likes: 1,304
From: Raleigh, NC
Default

Eeesh, no telling what the previous owner did for those fuse taps. Maybe some type of footwell lighting?

As far as your earlier post with the disconnected white connectors behind the head unit - that's pretty normal. Probably something for a different feature that didn't come stock with your Z, like nav or sat radio.

I think the connector in the trunk on the right side is for the satellite radio receiver.

No telling what that loose green wire is for without tracing it to the source.

Reply
Old Jun 3, 2025 | 08:55 AM
  #13  
JSMCO's Avatar
JSMCO
Thread Starter
New Member
 
Joined: Apr 2024
Posts: 87
Likes: 7
From: CO
Default

Thanks for the reply. The other end of the green wire goes into the third spot down on the big white connector. I do have the factory service manual, but I don't know how to find that connector in the manual to determine what it goes do. I'll keep digging, and maybe somebody else will chime in. I know the previous owner said he disconnected the VSC or something because he wanted to be able to drift. Judging by some of the other hack jobs I've discovered, cutting a wire and leaving it just laying there would be par for the course as to his methods of doing things.

Reply
Old Jun 3, 2025 | 02:40 PM
  #14  
icer5160's Avatar
icer5160
New Member
15 Year Member
Liked
Loved
Community Favorite
iTrader: (4)
 
Joined: May 2010
Posts: 2,067
Likes: 616
From: Brentwood, CA
Default

Yeah, the J/B fuse box harness under the driver's side footwell is a bit of a mess. I would undo that shitstorm. The bellcap splice for instance is probably causing the constant 12V+ power. No idea what the other taps were used for. As for the green wire just hanging out, that might be related to the reverse lamp switch. If your reverse lights aren't turning on, that's the reason.

If you have a copy of the FSM, there is a section detailing the location of the interior Body harnesses (I just forgot which chapter/section). Which should link you to the pins/circuit diagrams.

Cheers!
-Icer

Reply
Old Jun 3, 2025 | 06:57 PM
  #15  
JSMCO's Avatar
JSMCO
Thread Starter
New Member
 
Joined: Apr 2024
Posts: 87
Likes: 7
From: CO
Default

Thanks for the reply Icer. When you say bellcap splice, do you mean the little white wirecap hanging there out of the big white connector? Because that is without a doubt the other end of that loose green wire. I'm just hesitant to hook them back together because I don't know if the loose wire was at some point in the cap with the other one, or if the end of the loose one was capped off itself, or why they were ever separated in the first place. I know the reverse lights worked when we first bought the car, but I'll check them again tomorrow and see if that is still the case. I'll also dig through the FSM again and see if I can track down that connector and what that wire goes to. As for undoing the shitstorm, I'm not sure how to even start messing with a fusebox, but I'll do some digging and maybe I can learn. Again, thanks for always being helpful. Much appreciated.
Reply
Old Jun 3, 2025 | 09:35 PM
  #16  
icer5160's Avatar
icer5160
New Member
15 Year Member
Liked
Loved
Community Favorite
iTrader: (4)
 
Joined: May 2010
Posts: 2,067
Likes: 616
From: Brentwood, CA
Default

Hey JSMCO,

The black box in the picture with the two white harness connectors and single black harness connector is the BCM (Body Control Module).
(Note: Reference pdf file labeled "pg" for Power Supply Ground. (page 122 and 125)
The 2 white plugs are labeled M90 (larger plug) and B83 (smaller plug) in the FSM.
The 1 black plug is labeled M91 in the FSM.
The Fuse Block (J/B) is mounted above the BCM.

Familiarize yourself with the plug/wire pin orientation and numbers. Take notes of the modified wires (color, pin#, and parent connector).

You can get a detailed schematic under the pdf file labeled "bcs". But sadly, the colors of the wires are not marked in this portion of the manual, however the other systems/devices/functions connected to the BCM are labeled. You would need to check those areas of the manual to get the detailed color and wiring diagrams. To my knowledge, there isn't a master diagram/schematic. You have to jump from chapter to chapter specific to the function or location of the vehicle (pdf labeled "idx" for Alphabetical Index helps with this). The BCM covers NATS, door locks, and windows among other things. You could start tracing things down, time consuming I know, which is why detailed notes need to be taken.
Good Luck!
-Icer

Last edited by icer5160; Jun 5, 2025 at 07:56 PM.
Reply
Old Jun 3, 2025 | 11:41 PM
  #17  
JSMCO's Avatar
JSMCO
Thread Starter
New Member
 
Joined: Apr 2024
Posts: 87
Likes: 7
From: CO
Default

Hot Damn Icer! You are awesome! I did what you said and hunted around. My Power Supply & Ground section only went to page 90, but I dug through it and found the first breadcrumb on page 83. One section led to another, and certainly tedious but I am 99% certain that wire is for the "Security Indicator Light" Why it was cut/broken/disconnected in the first place I don't know, but tomorrow I'll hook it back together and see if the light works. Thanks again, much appreciated!!


Power Supply & Ground Page 83 shows Connector M90 Slot 23

Body Control System Page 11 shows slot 23 as Security Indicator Lamp
Body Control System Page 11 shows slot 23 as "Security Indicator Lamp" (I couldn't find anywhere what the symbol with the squiggly line and the arrow in the circle means, but I'm digging for that, as well. Just to know)

Body, Lock & Security System Page 139 shows Wire from Slot 23 as G-O (Green-Orange)
Body, Lock & Security System Page 139 shows Wire from Slot 23 as G/O (Green/Orange)

Last edited by JSMCO; Jun 3, 2025 at 11:44 PM.
Reply
Old Jun 4, 2025 | 04:53 AM
  #18  
Heel Til I Die's Avatar
Heel Til I Die
New Member
10 Year Member
Liked
Loved
Community Favorite
iTrader: (2)
 
Joined: Apr 2013
Posts: 3,840
Likes: 1,304
From: Raleigh, NC
Default

As far as this:




The "squiggly line" means there is a resistor and "the arrow in the circle" means there is a diode. A diode causes the current to only flow one way. This protects voltage from flowing the opposite direction of its intention. The resistor is meant to alter the current and usually make the signal lower.
Reply
Old Jun 4, 2025 | 07:57 AM
  #19  
JSMCO's Avatar
JSMCO
Thread Starter
New Member
 
Joined: Apr 2024
Posts: 87
Likes: 7
From: CO
Default

Resistor makes sense if all it's running is a little LED in the dash. Thanks for the reply!
Reply
Old Jun 4, 2025 | 10:08 AM
  #20  
icer5160's Avatar
icer5160
New Member
15 Year Member
Liked
Loved
Community Favorite
iTrader: (4)
 
Joined: May 2010
Posts: 2,067
Likes: 616
From: Brentwood, CA
Default

Glad I was able to help point you in the right direction. Sorry for the page number discrepancies, I'm referring to my 06 manual, hence the differences. As for the symbol definitions, look at the pdf file labeled "GI" for General Information. There's a sub-chapter called "How to use this manual" that covers most of what you need to know to decode things. Pay close attention to the "Connector Symbols" because the harness pin location can flip depending on the orientation of the connector (Front view vs. Rear view).

The only logical explanation I can see for the cut wires and taps on your BCM would be if the previous owner had an aftermarket security system or some kind of remote start system installed. Otherwise, they were just being dumb and hacking wires without any understanding of what they were doing.

Cheers!
-Icer

Last edited by icer5160; Jun 5, 2025 at 07:54 PM.
Reply



All times are GMT -8. The time now is 07:05 PM.